一(yi)、産品概(gài)述
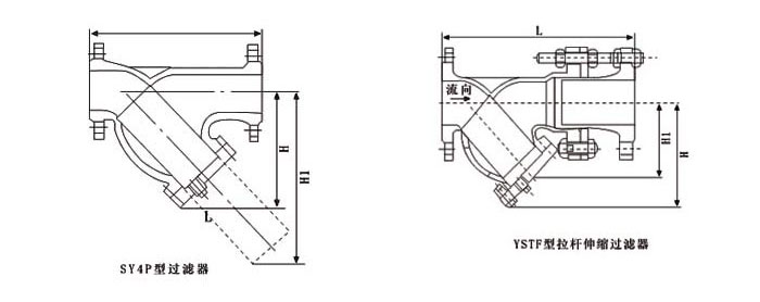
Y型過(guò)濾器,是(shì)使用水(shuǐ)力控制(zhì)閥及精(jīng)密的易(yi)堵塞的(de)機械産(chǎn)♍品🈲所必(bi)須具備(bèi)的過濾(lü)設備。通(tōng)常安裝(zhuang)于水力(lì)控制閥(fa)等設備(bei)的進口(kou)🎯端,防止(zhǐ)顆粒性(xìng)雜質進(jin)入🏒通道(dào),造成堵(dǔ)塞,使閥(fá)門♉或其(qi)他設備(bèi)失靈而(er)不能正(zhèng)🈲常使用(yong)。Y型過濾(lü)器結構(gou)簡單,流(liú)阻小,可(kě)在線排(pai)除污物(wu)而不需(xū)拆除。Y型(xíng)拉杆伸(shēn)縮過濾(lǜ)器還具(ju)有安裝(zhuāng)長度可(ke)調,裝拆(chāi)方🤞便的(de)特點。可(ke)根據需(xu)要設置(zhì)濾網目(mu)數,通常(chang)範圍:水(shuǐ)18~30目、蒸氣(qì)40~100目、油100~480目(mù)。
|
二、主要(yào)技術參(cān)數
|
三、主(zhǔ)要零部(bù)件材料(liao)
|
|
型号
|
公(gōng)稱壓力(lì)PN(MPa)
|
殼體試(shi)驗壓力(lì)(MPa)
|
工作壓(yā)力(MPa)
|
|
SY4P
|
1O
|
15
|
1O
|
|
YSTF
|
16
|
24
|
16
|
|
|
零件(jiàn)名稱
|
管(guǎn)體
|
濾網(wǎng)
|
伸縮拉(lā)杆
|
O形圈(quān)
|
|
材料
|
灰(hui)鑄鐵或(huò)球墨鑄(zhu)鐵鑄鋼(gāng)
|
不鏽鋼(gang)
|
碳鋼鍍(du)鋅
|
丁腈(jīng)橡膠
|
|
四(sì)、主要外(wai)形連接(jie)尺寸: 單(dan)位:mm
|
SY4P-10型、SY4P-16型(xíng)、SY4P-25型
|
|
DN
|
65
|
80
|
100
|
125
|
150
|
200
|
250
|
300
|
350
|
400
|
450
|
500
|
|
L
|
螺紋(wén)
|
-
|
-
|
-
|
-
|
-
|
-
|
-
|
-
|
-
|
-
|
-
|
-
|
|
法蘭
|
25O
|
280
|
350
|
400
|
440
|
500
|
580
|
670
|
780
|
850
|
850
|
1OO
|
|
H
|
螺(luó)紋
|
-
|
-
|
-
|
-
|
-
|
-
|
-
|
-
|
-
|
-
|
-
|
-
|
|
法蘭(lán)
|
198
|
21O
|
250
|
305
|
358
|
450
|
503
|
578
|
598
|
618
|
693
|
765
|
|
H1
|
螺紋
|
-
|
-
|
-
|
-
|
-
|
-
|
-
|
-
|
-
|
-
|
-
|
-
|
|
法(fa)蘭
|
270
|
295
|
344
|
422
|
485
|
602
|
710
|
815
|
844
|
872
|
978
|
1080
|
|
YSTF-10型、YSTF-16型(xing)
|
|
DN
|
50
|
65
|
80
|
100
|
125
|
150
|
200
|
250
|
300
|
350
|
400
|
|
L
|
300
|
320
|
380
|
430
|
500
|
550
|
650
|
775
|
900
|
1025
|
1150
|
|
H
|
155
|
183
|
210
|
250
|
305
|
358
|
450
|
503
|
578
|
598
|
618
|
|
H1
|
195
|
245
|
295
|
344
|
415
|
485
|
602
|
710
|
815
|
844
|
872
|
文章分(fen)頁:
1